特許技術使用の話題のスピーカー・ユニット、 スピーカー工作ならではのダブルバスレフ方式で楽しめる エンクロージャー、それぞれを付録にした工作キットが 8月19日に同時発売!
今年創立80年を迎える株式会社音楽之友社(東京都新宿区、代表取締役社長:堀内 久美雄)は、stereo編 ONTOMO MOOK付録として「オンキヨー製 10cmフルレンジ・スピーカーユニット『OM-OF101』」を付録にした『これならできる特選スピーカーユニット 2021年版 オンキヨー編』および対応エンクロージャー・キットを付録にした『これならできるスピーカー工作 2021』を2021年8月19日(木)に同時発売します。


「伝えたいのは音質ではなく音楽の本質」。オンキヨー製の話題のスピーカーがいよいよ登場!
スピーカーユニットの付録は、オーディオの総合月刊誌「stereo」にて2010年から続く夏の特集(いわゆる「工作号」)の企画として始まりました。今までに通算11回(ムックとして4回目)を数え、夏季のスピーカーユニット付録企画は、オーディオファン、スピーカー工作ファンにとってはもはや毎年の恒例行事として認知されるようになりました。2021年の付録スピーカーユニットの製造元は、国内オーディオブランド/メーカーのオンキヨー(オンキヨーサウンド株式会社)です。
●付録スピーカーユニット
オンキヨーは、1946年創業の株式会社大阪電気音響社を祖とする老舗の総合音響メーカーです。インテグラなどのアンプブランド、セプターなどのスピーカーブランドなどをもち、オーディオファンからも好きなブランドとしてその名を挙げる人も多く、いまだ根強い人気を誇ります。
特にスピーカーは特筆もので、オーディオ全盛時代に革新的な技術でスピーカーの名作を数多く輩出し、スピーカーのコーン紙から独自開発するという方針で技術力を育ててきました。
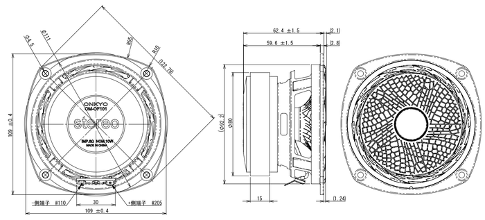
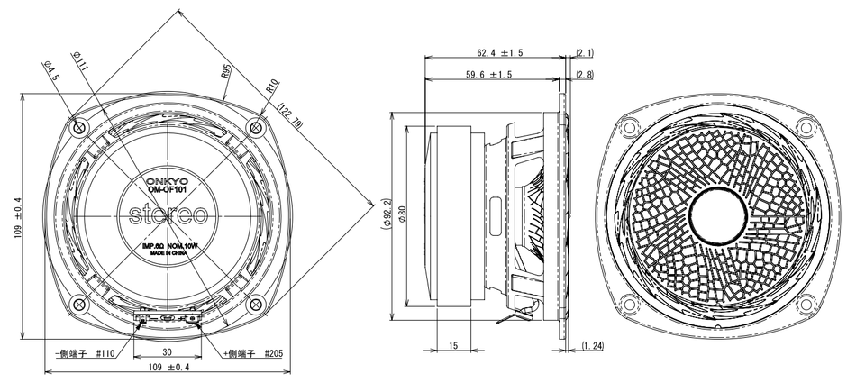
今回付録となるスピーカーユニットは、オンキヨーの独自開発による10cm口径のフルレンジ・スピーカーユニットです。このスピーカーユニットには、自社ブランドのスピーカーにもまだ採用されていない新技術のパーツが搭載されています。型番は「OM-OF101」で、“オントモ”―“オンキヨー・フルレンジ” “10(cm)”の“1”番目ということに由来しています。
●OM-OF101の主な特徴
- バイオミメティクス振動板(特許出願中)
生物が太古から進化のなかで獲得したデザインを活かしたバイオミメティクスと呼ぶ手法を採用。軽くて強度のあるトンボの翅の翅脈構造にヒントを得た振動板形状で共振が分散させ、貝殻の立体構造を取り入れるこことで、振動板の強度・剛性を高めています。これにより、広帯域をカバーする高性能化を実現し、微細な音楽信号が埋もれることなく再現でき、自然で豊かな音楽を表現するスピーカーユニットになっています。
- 低歪渦巻形状エッジ(意匠出願中)
渦巻形状で上下形状が完全に対称。振幅時の負荷を対称にし、やわらかさも完全対称とすることで低歪み化、エッジからの音も低減しています。
3)その他、φ80ミリの強力マグネットや銅製ショートリング採用の低歪み磁気回路、聴感上のS/N感を向上させるフェーズプラグなどを採用しています。
●オーディオ評論家福田雅光氏による評価
音の骨組みをしっかり表現し(中低域のエネルギー構成に力があり重心が低い、そして分解力の高い表現力を備えているという意味で)、厚く解像度の高い内容に魅力を出している。このような音は、これまでに聴いたことがない。(オーディオの総合月刊誌「ステレオ」2021年8月号連載記事『使い方を知る~オーディオの新常識~』より抜粋)
●オーディオ評論家生形三郎氏による評価
このユニットが何よりも素晴らしいのは、音域を問わずに音色が均質であり、ひとつひとつの音が実にすっきりとしたフォルムで描かれることだと思います。音響特性として優れたスペックを有しており、データ上だけでなく、聴感としても、実に自然で、音楽を心地よく楽しめる性能を備えたものだと実感します。
●OM-OF101 規格/定格
形式 :10cmコーン型フルレンジ
インピーダンス :6Ω
最低共振周波数(f0) :92Hz
再生周波数帯域 :F0~30kHz
出力音圧レベル :86dB/W/m
定格入力 :10W
最大入力 :20W
m0 :5.0g
Q0 :0.67
実効振動半径 :4cm
マグネット質量 :283g
総質量 :765g
バッフル開口寸法 :φ95mm
推奨エンクロージャー:バスレフ型
●T/S Parameter
Fs :92Hz
Re :5.20Ω
Sd :0.00503 m2
Le :0.07mH
Mms :5.0g
Vas :2.26L
Qes :0.80
Qms :4.00
SPL :86.0dB
Qts :0.67
EBP :114
Bl :4.30
重量:765g
●商品名
stereo編 ONTOMO MOOK
「これならできる特選スピーカーユニット 2021年版 オンキヨー編」
特別付録:オンキヨー製10cmフルレンジ・スピーカーユニット「OM-OF101」
・2021年8月19日発売
・B5判:24ページ
・定価:6,930円(本体価格6,300円+税10%)
・ISBN:9784276963269
■豊かでふくよかな低域が楽しめるダブルバスレフ採用(抜けよく鳴りっぷりがいいバスレフ型にも変更可!)の「OM-MF101」対応エンクロージャー・キット!
ONTOMO MOOK「これならできる特選スピーカーユニット 2021年版 オンキヨー編」付録のスピーカーユニット「OM-OF101」に対応したエンクロージャー(スピーカーBOX)・キットを付録にしたムックも同時発売いたします。このエンクロージャー・キットと、先述のスピーカーユニット「OM-OF101」とを組み合わせれば、立派なスピーカーができあがります。
このエンクロージャー・キットは、オーディオ評論家の生形三郎氏の設計によるもので、対応スピーカーユニット「OM-OF101」が持つサウンドの魅力を充分に引き出して、心地よい音で音楽を楽しめるスピーカーとなるように作られています。
また、組み立てには木工用ボンド、プラスドライバー、濡れ雑巾、ペン類、定規などが必要になりますが、ハンダなどの工具は必要なく、工作の経験がないという方でも簡単に組み立てることができるよう配慮もされています。
●付録エンクロージャー・キット
2018年、2020年のマークオーディオ用エンクロージャー・キットと同様、オーディオ評論家の生形三郎氏が設計。今回のエンクロージャーは「ダブルバスレフ」と呼ばれている方式で設計され、一般的なバスレフ方式を重ねて用いる構造をしています。これはより低域の再生周波数を伸ばしたり低域の量を増やしたりできる方式で、スピーカー工作ファンが設計するエンクロージャーによく使われます。一方、一般的な市販のスピーカーシステムにはほとんど採用されることのない方式でもあり、スピーカー工作ならではの方式です。
また、中央に設置する仕切り板を設置しないことで「シングルバスレフ」としても組めるようになっており、こうすることで抜けがよく、鳴りっぷりのよい音を得ることができます。どちらの音で作るか、好みで選ぶことができます。
●大きさ:144W×290H×215Dmm(ターミナル等除く)
[エンクロージャー・キット内容]
板材(MDF 9t×10枚+同5.5t×4枚)、紙管(バスレフダクト用内径28mm/長さ15mm×2、51mm×2)、SP配線材(L=300、赤・黒×2本ずつ、ファストン端子=SP側#205・#110/ターミナル側#110)、吸音材(ウレタン)×2枚、ターミナル(バネ式)×2、ターミナル用ネジ×4
●オーディオ評論家生形三郎氏による評価(OM-OF101+エンクロージャー・キット)
ユニット自体が低域をしっかり出しますし、とても透明感のある、ナチュラルな音で素晴らしい音がします。ピーキーさや頑張っている感じがないところもいいです。ひとつひとつの音が自然に描かれます。ゆったりしていて、このユニットにマッチしているなと実感しています。多くの方が好みそうな感じがします。ダブルバスレフでは豊かな低域感が楽しめますし、シングルバスレフにすると抜けのよい、軽快な鳴り方を楽しむことができます。
●商品名
stereo編 ONTOMO MOOK「これならできるスピーカー工作 2021」
特別付録:オンキヨー製10cmフルレンジ・スピーカーユニット OM-OF101対応エンクロージャー・キット
・2021年8月19日発売
・A4変:16頁
・定価:7,700円(本体価格:7,000円+税10%)
・ISBN:9784276963276
ご購入の方法について
全国の書店、もしくは「楽天ブックス」「セブンネットショッピング」等のネットショッピングサイトよりご購入いただけます。
※ショッピングサイトによって、在庫の無い場合があります。あらかじめご了承ください。
※同一ショッピングサイトのカートにまとめて、複数の商品を同時に購入することも可能です
※詳しい購入方法は、各ショッピングサイトにてご確認ください。















