世界最高精度(※1) 充電/放電過電流検出電圧精度±0.75mV(※2) を実現した1セルバッテリー保護IC 「S-82P1A/S-82P1Bシリーズ」発売
保護回路基板の発熱を独自ノウハウで大幅低減、スマホなどの急速充電ニーズに対応

エイブリック株式会社(社長:石合 信正、本社:東京都港区、以下:「ABLIC」)は本日より、世界最高精度(※1)の充電/放電過電流検出電圧精度 ±0.75mV(※2)を実現した1セルバッテリー保護IC「S-82P1A/S-82P1Bシリーズ」の販売を開始しました。
1セルリチウムイオンバッテリーはスマートフォンやウェアラブル機器などのIT機器をはじめとする様々なアプリケーションに用いられています。特に、昨今のスマートフォンの高機能化に伴い、大容量のリチウムイオンバッテリーを搭載する傾向にあり、こうした大容量のバッテリーの急速充電のニーズから、充電電流を大きくしたいという要望が高まっています。
しかし、充電電流が増えると保護回路基板上にある電流検出抵抗の発熱が大きくなるという課題が生じます。発熱を抑えるためには電流検出抵抗の抵抗値を下げる必要がありますが、単純に抵抗値のみを下げると検出電流値のばらつきが大きくなってしまい、このばらつきによって安全性が確保しにくくなる可能性も出てきます。検出電流値のばらつきを抑えつつ電流検出抵抗の抵抗値を下げても発熱を抑制するには保護ICの過電流検出電圧の高精度化が必要です。
本日発売した新製品「S-82P1A/S-82P1Bシリーズ」は、1セルのリチウムイオンバッテリーの保護ICで、(1)充電/放電過電流検出電圧精度は世界最高精度となる±0.75mVを実現し、過電流検出のばらつきを抑えつつ電流検出抵抗の低抵抗化が実現できること(全シリーズ共通)、(2)充放電制御機能により、外部信号を用いて電池パックを充放電禁止にでき、PTCサーミスタを接続することで過熱保護機能を実現できること(S-82P1Aシリーズ)、(3)過充電検出電圧精度が±15mVと業界トップクラスの高精度化を実現していること(全シリーズ共通)、などが特長となっています。
これらの特長により、充電電流値が増えても保護回路基板の発熱を抑えることが可能で、かつ、高精度な過充電検出と過熱保護機能を実現できることから、製品の安全性強化にも大きく貢献する製品です。
ABLICは、今後もリチウムイオンバッテリー保護ICにおいて、さらなる高精度化・高機能化を目指すとともに、多くの分野のアプリケーションに対応できる製品展開を図っていきます。
(※1)2021年9月時点 当社調べによる
(※2)当社従来製品と比較して25%減

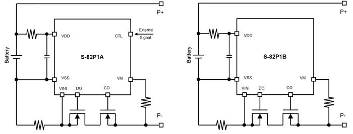
図S-82P1A/S-82P1Bシリーズを用いた保護回路例
主な特長
- 世界最高精度の充電/放電過電流検出電圧精度は±0.75mVを実現!
充電/放電過電流検出電圧精度は世界最高精度となる±0.75mVを実現しました。
過電流検出のばらつきを抑えつつ電流検出抵抗の低抵抗化が可能となり、充電電流値を上げても保護回路基板の発熱を抑えることが可能となり、アプリケーション機器の充電時間短縮に貢献します。
- 過充電検出電圧精度は±15mVと業界トップクラスの高精度を実現!
過充電検出電圧精度は±15mVと、業界トップクラスの検出電圧精度を実現しました。過充電検出電圧を高精度化することにより、安全性を確保しながらバッテリー性能を最大限に引き出すことができます。
- 外部信号入力端子による充放電制御が可能(S-82P1Aシリーズ)
CTL端子に外部から信号を入力することで充放電制御機能が働き、S-82P1Aシリーズは充放電禁止状態になります。CTL端子にPTCサーミスタを接続することで過熱保護機能を実現できます。
主な仕様
・過充電検出電圧:3.50 ~ 4.80V ±15mV
・過放電検出電圧:2.00 ~ 3.00V ±50mV
・放電過電流検出電圧1:0.003 ~ 0.100V ±0.75mV
・放電過電流検出電圧2:0.006 ~ 0.100V ±2mV
・負荷短絡検出電圧:0.020 ~ 0.100V ±5mV
・充電過電流検出電圧:-0.100 ~ -0.003V ±0.75mV
・0V電池への充電(可能、禁止)
・動作時消費電流:4.0μA max.
・パワーダウン時消費電流:50nA max.
・最大定格:28V
・動作温度:-40~85℃
・パッケージ:HSNT-8(1616) 1.6×1.6×t0.4mm max. (S-82P1Aシリーズ)
SNT-6A 1.57×1.8×t0.5mm max. (S-82P1Bシリーズ)
用途例
リチウムイオン二次電池パック、リチウムポリマー二次電池パック
搭載製品例
スマートフォン、タブレットPC、スマートウォッチなど

製品詳細
Webサイト
エイブリック株式会社は、2020年4月30日付でミネベアミツミ株式会社の100%子会社となりました。




