分子構造を任意に制御可能な 多孔質高分子材料の新たな合成方法を確立
~医療や食品など、物質を抽出・浄化するフィルターに活用可能~
芝浦工業大学(東京都港区/学長 村上 雅人)応用化学科の永 直文教授は、原材料、温度、溶媒などの組み合わせを変えることで、多様な分子構造で任意にミクロ構造の制御ができる多孔質高分子材料を合成することに成功しました。

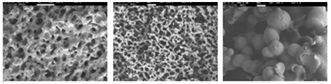
この多孔質材料は、ジョイント分子とリンカー分子と言われる分子の組み合わせで網目構造をつくるのが特徴(ジョイント-リンカー型)。より小さな穴を持つスポンジのようなイメージで、抽出・分離したい物質のサイズや用途に合わせて穴の大きさや硬さ等の物性を制御することができるため、狙った物質の大きさに合わせてカスタマイズができるというものです。しかも簡便で単時間で合成できます。
分離膜、フィルター、フィルムとして産業界で応用が可能で、有害物質の除去や水、土壌の浄化、空気清浄、食品/飲料用フィルター、血液精製など幅広い分野での用途が想定できます。そのほかにも、電池材料や細胞培養用足場材料など、応用可能範囲も拡大可能です。
知的財産権
発明の名称:高分子多孔質材料及びその製造方法
出願番号 :特願2017-169715
出願人 :学校法人芝浦工業大学
発明者 :永 直文、中野 環(北海道大学)
本技術について詳しくは下記の通り、7月5日(木)に行われる新技術説明会にて永教授より発表を行います。
芝浦工業大学 新技術説明会
【日時】2018年07月05日(木) 13:20~15:55
【会場】JST東京本部別館1Fホール(東京・市ケ谷)
【主催】科学技術振興機構、芝浦工業大学
【後援】特許庁、関東経済産業局
多孔質高分子材料の合成例。多くのバリエーションを持つ形状を任意につくることができる

ジョイント分子(●)とこれをつなぐリンカー分子(ー)によって網目構造を構成するイメージ

背景
近年、重合反応の進行に伴う相分離を利用して多孔質高分子材料を合成する技術が開発され、カラム分離や触媒の担体などに応用されています。しかし現状では、エポキシ-アミン系、ジビニルベンゼン系、N-イソプロピルアクリルアミド系などの限られた原材料でしか合成されておらず、また相分離剤を用いた相分離が必要な反応系もあり、手間と時間がかかっていました。
今回の成果
今回永教授は、ジョイント分子とリンカー分子の組み合わせで網目構造を形成し、反応誘起相分離によって多孔質高分子材料を合成することに成功しました。この方法を用いることで、さまざまな原材料で合成が可能となり、原材料の分子構造や濃度、温度、溶解度パラメーターの組み合わせによってその物性を制御することができるようになりました。また相分離剤も不要で簡便な方法でできるため、短時間での合成も可能です。
今後の展開
合成する際の材料や条件等によってさまざまな構造を形成できるため、幅広い用途への応用が期待されます。今後はこの技術を利用した機能性材料の開発ができる企業とともに、実用化に向けて取り組んでいきます。