第一精工、業界初“スライド式ロック機構”搭載の 超低背型アンテナ用コネクタを開発
~ 優れた耐振動・耐衝撃性能を実現 ~
第一精工株式会社(本社:京都府京都市、代表取締役社長:小西 英樹、東証第一部 コード番号:6640)は、コネクタ関連事業の事業ブランド「I-PEX Connectors」より販売する超低背型アンテナ用コネクタ(以下 RFコネクタ)のMHFシリーズにおいて、業界初(※)スライド式ロック機構により優れた耐振動・耐衝撃性能を実現する新製品「MHF(R) I LK」を開発いたしました。
(※) 2017年9月当社調べ

新製品の名称
「MHF(R) I LK」超低背型アンテナ用コネクタ
新製品開発の経緯
IoTやコネクテッドカー等、産業機械や自動車にICT端末としての機能を搭載させる動きが活発となり、無線通信用コネクタの需要増大が期待される反面、コネクタにはこれまでよりも高い信頼性が要求されます。
当社は、これまでRFコネクタ“MHF(R)シリーズ”の開発・販売を通じて情報通信機器の高性能化に貢献してまいりました。そうした中、この度スライド式ロック機構により優れた耐振動・耐衝撃性能を備えたRFコネクタ「MHF(R) I LK」を開発するに至りました。
新製品の概要
(1) 内容
強い衝撃や振動を受けるアプリケーションにおける嵌合外れ問題へのソリューションとして、スライド式ロック機構を備えた業界初のRFコネクタです。
スライド式ロック機構を採用することで、これまで一部のアプリケーションにおいて施されていた接着剤等でのコネクタ固定作業が不要となります。特に自動車や航空機、ドローン等の強い衝撃と振動に晒されるアプリケーションに最適な製品です。
(2) 特長
・スライド式ロック機構によるロック時嵌合保持力 20Nを実現
・Wi-Fi(R)、4G LTE、Bluetooth(R)、GPS、M2M、IoT、SigFox、WiSUN、NB-IoTやLoRa(R)等の新しい伝送規格に対応
・様々なケーブルのサイズと長さで利用可能
「MHF(R) I LK」製品規格
製品名 :MHF(R) I LK(MHF(R) I plug harness with mechanical lock)
嵌合タイプ :Right angle vertical mating type
嵌合高さ :2.9 mm max.
幅 :4.0mm(PCB pattern size)
長さ :4.2mm(PCB pattern size)
V.S.W.R :DC~3GHz = 1.3max.、3~6GHz = 1.5max.
適合ケーブル:AWG #30(1.80mm O.D.) AWG #30(1.37mm O.D.)
:AWG #32(1.32mm O.D.) AWG #32(1.13 mm O.D.)
:AWG #36(0.81mm O.D.)
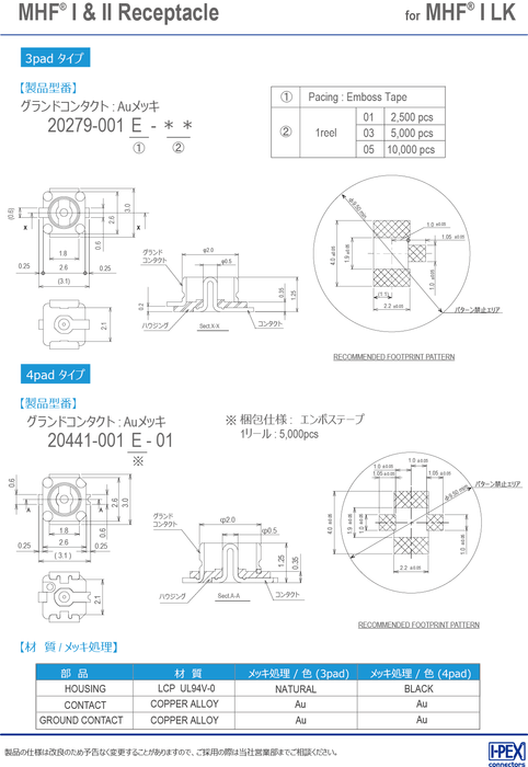
リセプタクル:MHF I&II Receptacle(P/N 20279-001E-** or 20441-001E-01)
ロック時嵌合保持力:20N min.(初期嵌合時)
会社概要
商号 : 第一精工株式会社
代表者 : 代表取締役社長 小西 英樹
所在地 : 〒612-8024 京都市伏見区桃山町根来12番地4
設立 : 1963年7月10日
資本金 : 85億2千2百万円(2016年12月31日現在)
事業内容: ・コネクタ及びエレクトロニクス機構部品事業
・自動車電装・関連部品事業
・半導体設備及びその他の事業
URL : http://www.daiichi-seiko.co.jp/








