テレダイン・レクロイ オシロスコープのUSB4製品デバッグを強化する デコード/解析オプションを発表
USB4の高速リンク信号とサイドバンド信号の デコード/解析を行うソフトウェア・オプション
テレダイン・レクロイ(所在地:東京都府中市、代表取締役:原 直)は、本日2022年10月13日(木)、2022年5月に発表したUSB Type-Cテストクーポン・フィクスチャを活用して、デバッグをより強力に行うことができる2種類のデコード/解析オプションを発表しました。
2022年5月の実働状態におけるUSB4の高速信号とサイドバンド信号のプロービングを可能とするUSB4テストクーポン・フィクスチャ2種類の発表に続き、この度の新たな2種類のオプション追加により、テレダイン・レクロイはUSB4のデバッグのすべてに対応しています。
◆USB4-SB TD/USB4-SB TDMP:
トリガ/デコード/計測・グラフ/物理層試験オプション
◆USB4bus DME:
デコード/計測・グラフ/アイパターン解析オプション
[製品の主な特徴]
◆USB4-SB TD/TDMP
・USB4(R)Thunderbolt(TM)サイドバンド リンク管理イベントでトリガ
・SB-TXおよびSB-RXでのリンク(LT)
・アドミニストレータ(AT)およびリタイマー(RT)トランザクションのデコード
・直感的な色分けされたオーバーレイ表示と注釈
・ズームとパターン検索を備えたインタラクティブなプロトコル・テーブル
・自動タイミング測定(TDMPのみ)
・波形グラフによるアナログ値へのシリアル デジタル データの抽出(シリアル DAC)(TDMPのみ)
・故障箇所を含むアイ ダイアグラム(TDMPのみ)

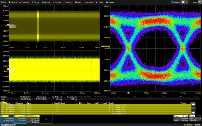
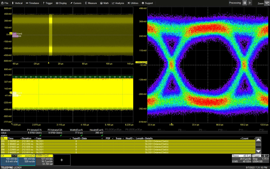
USB4のサイドバンドのデコード結果表示(波形への重ね書きと、プロトコル・テーブル)とアイパターン表示
◆USB4bus DME
・USB4およびThunderbolt(TM)リンク・トレーニング プロトコルのキャプチャとデコード
・USB4およびThunderbolt SLOSのアイパターン解析
・スタンドアロンまたはUSB4-SB TDと併用しUSB4 PHY-Logic層のデバッグが可能
・直感的な色分けされたオーバーレイとアノテーション
・ズームとパターン検索を備えたインタラクティブなプロトコル・テーブル
・Voyager M4x プロトコル・アナライザ/エキササイザと組み合わせて、PHYとリンクの可視性を実現

USB4のデコード結果の表示(波形への重ね書きと、プロトコル・テーブル)とアイパターン表示
[新製品の機能および利点]
◆USB4のデバッグ
USB4においては、Type-Cコネクタの利用により、20Gbpsの高速レーン2本を用いる最大40Gbpsの転送速度を実現するだけでなく、様々なサイドバンド信号を利用して高度なネゴシエーションを行うことができます。また、USB PD EPR(Extended Power Range)を採用することで、最大240Wの電源供給もサポートされます。
このため、USB4リンクのデバッグを行うには、高速レーンの信号のみを捕捉するのではなく、サイドバンド信号を同時に捕捉し解析することが重要です。例えば、上記USB PD EPRのデバッグでは、CC1/CC2の通信および、VBusの電圧および電流の観測が必要となります。
また、リンク・トレーニングのデバッグにおいては、高速レーンのみを有するUSB3.2とは異なり、サイドバンド信号を用いたネゴシエーションとその後の高速レーンを用いる2段階のプロセスを採用しているので、高速レーンの信号とサイドバンド信号の両方を観測する必要があります。
◆PHY-Logic層のデバッグ
プロトコル・ソリューションの世界トップ企業である、テレダイン・レクロイには業界標準のプロトコル・アナライザのラインナップが揃っており、コンプライアンス・テストを始め、高度なデバッグ作業に利用されています。しかしながら、プロトコル層と物理層を橋渡しするPHY Logic層における問題については、プロトコル・アナライザのみではデバッグが困難でした。
今回発表したオブションを用いることにより、リンク・トレーニングの中のプロトコル・アナライザではカバーできないデバッグをカバーできるようになります。
USB4においては、サイドバンドを活用した高度なネゴシエーションの解析には、物理層の計測器であるオシロスコープの活用が必須となります。プロトコル・アナライザと連携すれば、デバッグの能力はさらに高くなります。
◆USB4のデコード/解析オプション
今回発表された、リンク・トレーニングのデバッグを目的として、USB4のサイドバンド信号のデコードを行うUSB4-SB TD/TDMPと、USB4の高速レーン信号のデコードを行うUSB4bus DMEの2種類のオプションは、テレダイン・レクロイの他のデコード/解析オプションと同じく、デコードされたプロトコル情報は、パケットの機能や種類に応じてカラーコード化されて元の信号波形の上に重ね書き表示されます。
また、プロトコル情報は、時系列に並べられた表形式の表示にリストアップされ、クリックしたパケットに応じた波形が拡大表示されるようになっています。さらに、最大4つまでのデコードを同時に実行することができ、上記表形式の表示には、時系列に沿って複数の種類のプロトコル情報が表示されます。
USB4-SB TD
デコードだけでなくサイドバンド信号を使って、特定のイベントでトリガを掛けることができます。また、USB4-SB TDMPにおいては、上記の機能に加えて自動パラメータ計測機能や、特定のデータ部の値をアナログ値に変換してグラフ化や信号のアイパターン解析機能も追加されます。
USB4bus DME
トリガの機能はありませんが、デコードされたシンボルクロックを回復することにより、SLOS(Symbol Lock Ordered Sets)のアイパターン解析を提供し、特定信号の信号評価をサポートします。
[推奨オシロスコープ]
◆WaveMaster 8Zi-Bオシロスコープ
https://teledynelecroy.com/japan/products/scopes/wm8zi/default.asp
テレダイン・レクロイのWaveMaster 8Zi-Bオシロスコープは、最大30GHzの帯域と80GS/sのサンプリング速度を持ち、USB4の高速信号の捕捉能力があるだけでなく、標準で1MΩの入力を備えており、USB4-SB TDMPの全機能が利用できる、USB4のPHY-Logic層のデバッグには最適の機種となっています。
[ラインナップ・価格]
◆USB4-SB TD/TDMP
オシロスコープ:HDO4000A
USB4-SB TD :HDO4K-USB4SB TD
USB4-SB TDMP :NA
オシロスコープ:HDO6000B
USB4-SB TD :HDO6K-USB4SB TD
USB4-SB TDMP :HDO6K-USB4SB TDMP
オシロスコープ:WaveRunner 8000HD
USB4-SB TD :WR8KHD-USB4SB TD
USB4-SB TDMP :WR8KHD-USB4SB TDMP
オシロスコープ:WaveRunner 9000
USB4-SB TD :WR9K-USB4SB TD
USB4-SB TDMP :WR9K-USB4SB TDMP
オシロスコープ:WavePro HD
USB4-SB TD :WPHD-USB4SB TD
USB4-SB TDMP :WPHD-USB4SB TDMP
オシロスコープ:WaveMaster 8Zi-B
USB4-SB TD :WM8ZI-USB4SB TD
USB4-SB TDMP :WM8ZI-USB4SB TDMP
オシロスコープ:LabMaster 10Zi-A*
USB4-SB TD :LM10ZI-USB4SB D
USB4-SB TDMP :LM10ZI-USB4SB DMP
価格
USB4-SB TD :38万円
USB4-SB TDMP:52万円
※ LabMaster 10Zi-A*は、USB4-SBのトリガ機能はサポートされません。
プロトコル・アナライザVoyager M4xやUSB4-SB TDオプション搭載の他のオシロスコープと併用することでUSB4-SBのトリガ機能を補完することができます。
◆USB4BUS DME
オシロスコープ :WaveMaster 8Zi-B
USB4bus DMEオプション:WM8ZI-USB4bus DME
オシロスコープ :LabMaster 10Zi-A*
USB4bus DMEオプション:LM10ZI-USB4bus DME
価格 52万円
[詳細情報]
◆USB PHY Logic デバッグ
https://teledynelecroy.com/usb-electrical-test/#phy-logic-debug
◆USB4-SB TDMP/USBPD TDMP
https://teledynelecroy.com/japan/solutions/usb4-sb-tdmp/default.asp
◆USB Type-Cテストクーポン・フィクスチャ
https://teledynelecroy.com/japan/news/20220517/default.asp
◆推奨オシロスコープ WaveMaster 8Zi-B
https://teledynelecroy.com/japan/products/scopes/wm8zi/default.asp
Teledyne LeCroy Inc.について
ニューヨーク州チェストナットリッジに本社を置く、Teledyne LeCroy Inc.(テレダイン・レクロイ)は、性能検証、コンプライアンス試験、複雑な電子システムのデバッグを迅速かつ高精度に行うための先進的なオシロスコープ、プロトコル・アナライザ、その他のテスト機器を製造・販売するリーディングカンパニーです。1964年の創業以来、当社は「Time-to-Insight」を向上させる革新的な製品に強力なツールを組み込むことに注力してきました。解析結果を得るまでの時間を短縮することで、ユーザーは複雑な電子システムの欠陥を迅速に発見して修正することができ、様々なアプリケーションや製品の市場投入までの時間を劇的に短縮することができます。詳細は、( https://teledynelecroy.com )をご覧ください。
※)製品の仕様や発表内容は、予告なく変更されることがあります。
(C) 2022 by Teledyne LeCroy. All rights reserved.
お客様からのお問い合わせ先
テレダイン・ジャパン株式会社(テレダイン・レクロイ)
Email : lecroy_infojapan@teledyne.com
公式サイト: https://teledynelecroy.com/japan/



