スポーク型IPMモータの音鳴り対策とトータルコストダウンを実現 高圧3相モータ用ドライバ 「SX6814xMシリーズ」
サンケン電気株式会社(埼玉県新座市北野3-6-3)は、高圧3相モータ用ドライバ「SX6814xMシリーズ」のうち、「SX68144M」および「SX68145M」の量産を開始しました。
SX6814xMシリーズは、スポーク型IPMモータの駆動に特化した、正弦波駆動方式の白物家電向け高圧3相モータ用ドライバです。
ホール素子およびホールICからの信号入力に対応しています。
薄型のSOP36パッケージに、制御用IC、ゲート駆動用IC、3相分の出力素子とブートストラップダイオードを内蔵しており、モータ駆動回路の構成部品を大幅に削減できます。これにより、駆動回路の信頼性が向上するだけでなく、低容量な駆動回路を容易に構成できます。
エアコンのファンモータ駆動に最適です。
●開発背景
従来、エアコンのファンにはSPM(表面磁石型)モータが使用されてきましたが、近年は、IPM(埋め込み磁石型)モータの一種であるスポーク型IPMモータの採用が広がっています。
スポーク型IPMモータは機械的強度が高く、高速回転に適しており、SPMモータより安価で小型化に向いています。一方で、構造的に音が出やすく、ベクトル制御などの高精度な制御を用いれば音鳴りの対策ができますが、制御回路部分でのコストがかかりトータルでのコストメリットを出しづらい、という課題があります。
SX6814xMシリーズは、制御回路に高性能な演算器を使わずに音鳴りを抑制することができる、トータルコストダウンと機能性を両立する製品です。
●音鳴りを低減
SX6814xMシリーズは起動時と停止時それぞれに音鳴りを抑制するための機能を搭載しています。起動時はセンサレス制御による正弦波駆動方式を採用しています。正弦波駆動は矩形波駆動に比べ、効率と静音性に優れた駆動方式です。停止時は徐々に電流値を低減させるランプダウン制御を採用しています。これにより静音性を確保しています。
SPMモータにも本製品を使用することで、当社従来製品よりも低騒音を実現できます。
●自由度の高い進角設定
SX6814xMシリーズは、進角設定の自由度が高いのも特徴です。
進角機能には、外部進角、内部進角(1次~3次関数演算)があり、VSP端子やLA端子に印加する電圧で進角値を調整します。
最適な位相に調整することで、最大トルクでモータを駆動できます。
●8極/10極モータ両対応
従来、10極DCモータの回転信号は15パルスですが、SX6814xMシリーズは10極DCモータにおいて8極相当の12パルスの回転信号を出力できます。そのため、従来の8極DCモータのシステムを変更することなく10極DCモータを駆動できます。

製品外観
パッケージ名称:SOP36
(ボディーサイズ:22.0 mm × 11.4 mm × 2.1 mm)

ラインアップ

用途
ユニバーサル入力仕様の低~中容量モータのインバータ制御
●エアコンのファンモータ駆動
●空気清浄機・扇風機のファンモータ駆動
特徴
●Pbフリー(RoHS対応)
●低騒音、高効率(正弦電流波形)
●音鳴り低減(センサレス制御で起動/ランプダウン制御で停止)
●部品点数削減
制限抵抗付きブートストラップダイオード内蔵
●ホール素子およびホールIC入力対応
●回転パルス信号FG出力選択可能(0.8 ppr/1.0 ppr/2.4 ppr/3.0 ppr)
●外部信号で、アプリケーションに応じた最適な設定が可能
(回転速度、進角値、回転方向、モータロック検出有無)
●多様な進角設定(外部進角、内部1次~3次関数演算進角)
●3.3 V基準電圧出力(ホール素子の駆動などに使用)
●スタンバイ機能
●発振周波数調整可能(OSCR端子)
●充実した保護機能
起動時・停止時の音鳴りを低減
SX6814xMシリーズは、起動時にセンサレス制御による正弦波駆動方式を採用し、音鳴りを低減しています。また、停止時は徐々に電流値を低減させるランプダウン制御を採用し、音鳴りを低減しています。


★正弦波駆動方式の特徴
モータの駆動方式には矩形波駆動と正弦波駆動があります。
SX6814xMシリーズは、効率と静音性に優れた正弦波駆動を採用しています。

進角制御
モータに流れる電流の位相は、巻線のインダンクタンスの影響で、誘起電圧の位相に対して遅れます。
SX6814xMシリーズは、進角制御機能を搭載しており、誘起電圧とモータ電流の位相を合わせます。
これにより、最大トルクでモータを使用できます。

SX6814xMシリーズの進角機能には、外部進角、内部進角(1次~3次関数演算)があります。
使用するモータに応じて、最適な位相に調整できます。

機能設定端子(IS1/IS2/IS3)でカスタマイズ可能
機能設定端子(IS1/IS2/IS3)に入力する信号によって、さまざまな設定が変更できます。
・8極/10極モータ両対応
IS1端子でモータ極数・出力パルス数・保護復帰方法を設定できます。
これにより、10極BLDCモータ使用時に、ICから8極相当の回転パルス信号を出力できるため、従来の8極BLDCモータのシステムを変更することなく、10極BLDCモータを駆動できます。
回路設計を変更せずに設定を変更でき、工数を削減します。
・使用するモータに応じて最適な進角値を設定可能
IS2端子で進角機能を設定できます。
・その他カスタマイズ
IS3端子で回転方向・モータロック保護・起動時トルクを設定できます。
充実した保護機能
以下の充実した保護機能を搭載しています。

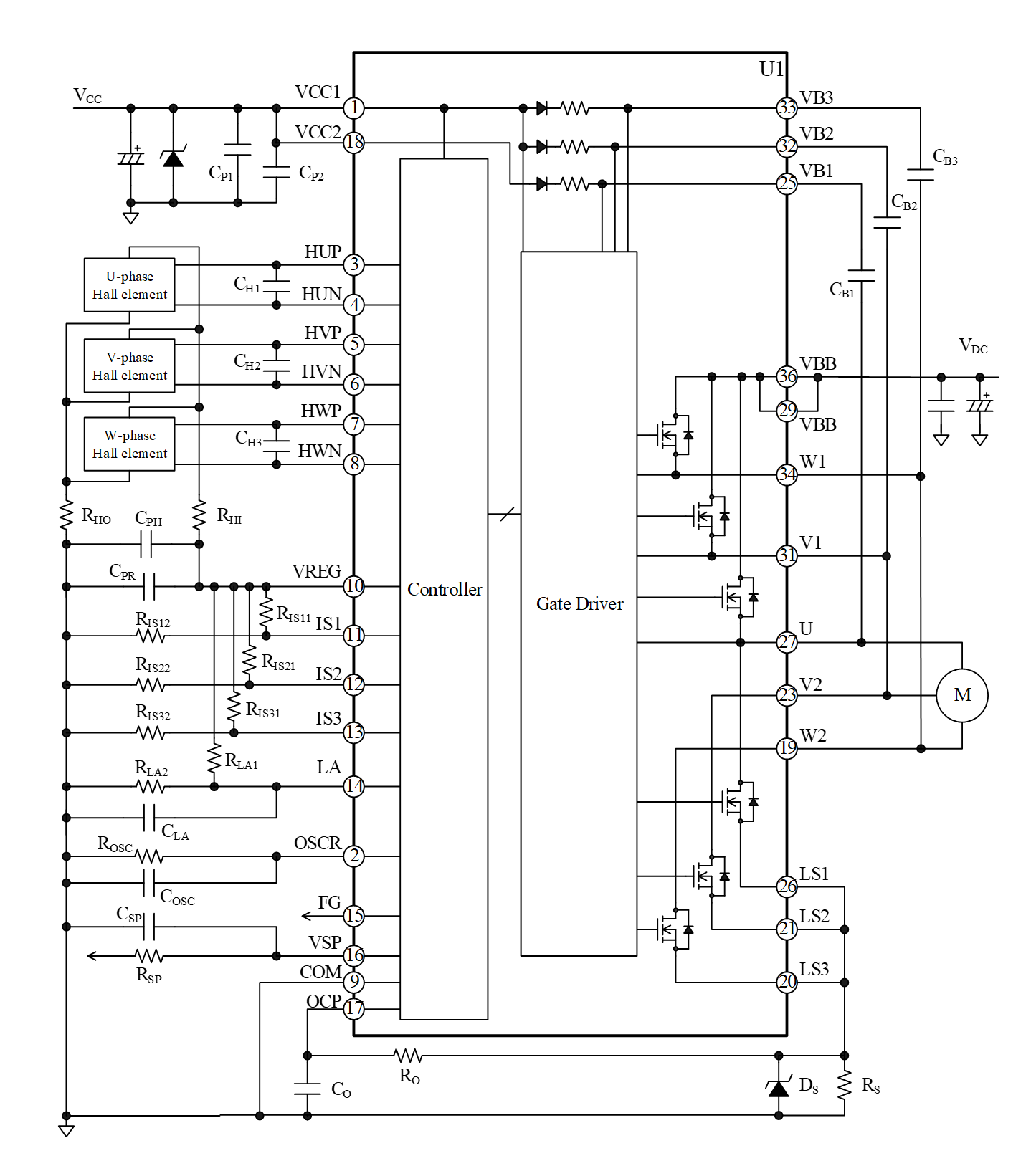
応用回路例

会社概要
社名 : サンケン電気株式会社
代表者 : 代表取締役社長CEO 高橋 広
所在地 : 〒352-8666 埼玉県新座市北野三丁目6番3号
設立 : 1946年9月5日
事業内容: 電子部品、デバイス、電子回路の製造および販売
電気機械器具の製造および販売
前各号に付帯する一切の業務
資本金 : 20,896,789,680円
URL : https://www.sanken-ele.co.jp/











